Магазин запчастей для бытовой техники - Arlos
Москва
close
Выберите ваш регион
АбаканАлександровАльметьевскАнгарскАрзамасАрмавирАртемАрхангельскАстраханьАчинскБалаковоБалашихаБеларусьБелгородБердскБерезникиБийскБлаговещенскБратскБрянскВеликий НовгородВидноеВладивостокВладикавказВладимирВолгоградВолгодонскВолжскийВологдаВолховВоркутаВоронежВоскресенскВыборгГатчинаГеленджикГрозныйДедовскДербентДзержинскДзержинскийДимитровградДмитровДолгопрудныйДомодедовоДонецкЕвпаторияЕгорьевскЕкатеринбургЕлецЕссентукиЖелезногорскЖелезнодорожныйЖуковскийЗеленоградЗлатоустИвановоИвантеевкаИжевскИркутскИстраЙошкар-ОлаКазаньКалининградКалугаКаменск-УральскийКамышинКаспийскКемеровоКерчьКировКисловодскКлинКовровКоломнаКомсомольск-на-АмуреКопейскКоролёвКостромаКотельникиКрасногорскКраснодарКраснознаменскКрасноярскКурганКурскКызылЛенинск-КузнецкийЛипецкЛобняЛыткариноЛюберцыМагнитогорскМайкопМалаховкаМахачкалаМиассМоскваМурманскМуромМытищиНабережные ЧелныНазраньНальчикНаро-ФоминскНахабиноНаходкаНевинномысскНефтекамскНефтеюганскНижневартовскНижнекамскНижний НовгородНижний ТагилНовокузнецкНовокуйбышевскНовомосковскНовороссийскНовосибирскНовоуральскНовочебоксарскНовочеркасскНовошахтинскНовый УренгойНогинскНорильскНоябрьскОбнинскОдинцовоОктябрьскийОмскОрелОренбургОрехово-ЗуевоОрскПавловский ПосадПензаПервоуральскПермьПетрозаводскПетропавловск-КамчатскийПодольскПрокопьевскПсковПушкиноПятигорскРаменскоеРеутовРостов-на-ДонуРубцовскРыбинскРязаньСакиСалаватСамараСанкт-ПетербургСаранскСаратовСевастопольСеверодвинскСеверскСергиев ПосадСерпуховСимферопольСмоленскСосновый БорСочиСтавропольСтарый ОсколСтерлитамакСтупиноСургутСызраньСыктывкарТаганрогТамбовТверьТихвинТольяттиТомилиноТомскТроицкТулаТюменьУлан-УдэУльяновскУссурийскУсть-ИлимскУфаУхтаФеодосияФрязиноХабаровскХанты-МансийскХасавюртХимкиЧебоксарыЧелябинскЧереповецЧеркесскЧеховЧитаШахтыЩелковоЭлектростальЭлистаЭнгельсЮжно-СахалинскЯкутскЯлтаЯрославль
  • - бесплатно по РФ
    Автоперезвон. Работает по принципу: Вы позвонили на номер, мы сбрасываем звонок и перезваниваем через 3 секунды.
  • - по Москве
  • 8 (925) 663-83-63

Call-центр

пн-вс: 10:00-19:00

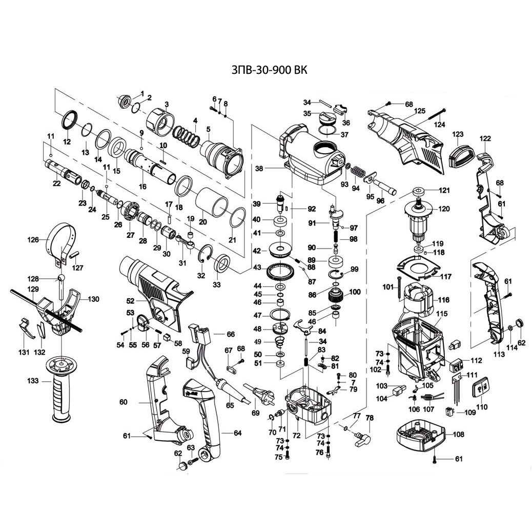
Перфоратор SDS-plus ЗПВ-30-900 ВК

Данная модель имеет несколько схем

NАртикулНазваниеСрок отгрузкиЦенаКупить
1 N000-002-995 Колпачок пылезащитный D36xd10х16 227 р.
2 N000-002-996 Кольцо стопорное разрезное D19xh2 92 р.
3 N000-002-997 Кольцо патрона 248 р.
4 N000-002-998 Пружина 87 р.
5 N000-002-999 Патрон 422 р.
6 N000-003-000 Винт
7 N000-003-001 Шайба прижимная
8 N000-003-002 Шайба
9 N000-003-003 Шарик стальной
10 N000-003-004 Шпонка
11 N000-003-005 Шарик стальной
12 N000-003-006 Сальник D48xd35x7 160 р.
13 N000-003-007 Кольцо фиксирующее
14 N000-003-008 Шайба
15 N000-003-009 Подшипник шариковый 61907 открытый (55х35х10) n/n 286 р.
16 N000-003-010 Цилиндр 746 р.
17 N000-003-011 Палец поршня
18 N000-003-012 Уплотнение резиновое 28 р.
19 N000-003-013 Подшипник игольчатый
20 N000-003-014 Втулка
21 N000-003-015 Шайба
22 N000-003-016 Стволик 532 р.
23 N000-003-017 Кольцо уплотнительное d24x2 32 р.
24 N000-003-018 Кольцо уплотнительное D15хd11х2 32 р.
25 N000-003-019 Ударник 235 р.
26 N000-003-020 Кольцо фиксирующее
27 N000-003-021 Шестерня ведомая Z=33 445 р.
28 N000-003-022 Боек 277 р.
29 N000-003-023 Кольцо уплотнительное D24x3 61 р.
30 N000-003-024 Поршень 445 р.
31 N000-003-025 Шатун поршня 491 р.
32 N000-003-026 Кольцо фиксирующее
33 N000-003-027 Подшипник
34 N000-003-028 Шпилька
35 N000-003-029 Крышка смазочного окна
36 N000-003-030 Рукоятка крышки
37 N000-003-031 Уплотнительное кольцо
38 N000-003-032 Корпус редуктора 746 р.
39 N000-003-033 Шестерня ведущая Z=11 626 р.
40 N000-003-034 Подшипник
41 N000-003-035 Шайба
42 N000-003-036 Диск предохранительной муфты 332 р.
43 N000-003-037 Шестерня механизма вращения Z=49 445 р.
44 N000-003-038 Шайба
45 N000-003-039 Кольцо фиксирующее
46 N000-003-040 Подшипник игольчатый
47 N000-003-041 Кольцо фиксирующее
48 N000-003-042 Муфта передачи крутящего момента 1.360 р.
49 N000-003-043 Пружина прижимная
50 N000-003-044 Шайба
51 N000-003-045 Подшипник
52 N000-003-046 Корпус левая часть
53 N000-003-047 Шайба плоская
54 N000-003-048 Винт
55 N000-003-049 Шайба Гровера
56 N000-003-050 Ручка управления 189 р.
57 N000-003-051 Пружина ручки управления
58 N000-003-052 Фиксатор ручки управления
59 V000-000-255 Конденсатор
60 N000-003-054 Корпус левая нижняя часть 286 р.
62 N000-003-056 Заглушка
63 N000-003-057 Винт
64 N000-003-058 Рукоятка левая часть 189 р.
65 N000-003-059 Воротник шнура
66 V000-000-256 Выключатель Rui`an Hua FA2-6/2w1 10(10)A ~250V 5E4 T55 208 р.
67 N000-003-061 Прижим проводов
69 V000-000-257 Кабель с вилкой
70 N000-003-064 Кольцо фиксирующее
71 N000-003-065 Вал ручки управления
72 N000-003-066 Корпус редуктора 491 р.
73 N000-003-067 Шайба
74 N000-003-068 Шайба Гровера
75 N000-003-069 Винт
76 N000-003-070 Винт
77 N000-003-071 Кольцо уплотнительное
78 N000-003-072 Рукоятка управления задняя
79 N000-003-073 Фиксатор
80 N000-003-074 Винт
81 N000-003-075 Ограничитель
82 N000-003-076 Винт
83 N000-003-077 Пружина
84 N000-003-078 Пластина
85 N000-003-079 Уплотнение 32 р.
86 N000-003-080 Кольцо фиксирующее
87 N000-003-081 Шарик стальной
88 N000-003-082 Пружина
89 N000-003-083 Подшипник
90 U501-900-057 Штифт D9х31 специальный 67 р.
91 N000-003-085 Вал коленчатый 657 р.
92 N000-003-086 Шпонка плоская
93 N000-003-087 Шайба плоская
94 N000-003-088 Пружина АВТ
95 N000-003-089 Шаба АВТ
96 N000-003-090 Вал АВТ
97 N000-003-091 Шарик стальной
98 N000-003-092 Пружина
99 N000-003-093 Шайба фиксирующая
100 N000-003-094 Шестерня ведушая Z28 294 р.
102 N000-003-096 Винт
103 N000-003-097 Щетка графитовая (пара) 6.2х10х15 117 р.
104 N000-003-098 Щеткодержатель 176 р.
105 N000-003-099 Элемент контактный 131 р.
107 V000-000-258 Катушка индуктивности
108 N000-003-102 Крышка нижняя 622 р.
109 N000-003-103 Зажим для проводки
110 N000-003-104 Крышка светового индикатора
111 N000-003-105 Светодиод 68 р.
112 N000-003-106 Корпус светового индикатора
113 N000-003-107 Рукоятка правая часть 189 р.
114 N000-003-108 Гайка
115 N000-003-109 Корпус двигателя 2.538 р.
116 N000-003-110 Статор 1.859 р.
117 N000-003-111 Направляющая поддува
118 N000-003-112 Элемент резиновый
119 N000-003-113 Подшипник
120 N000-003-114 Ротор 1.716 р.
121 N000-003-115 Подшипник
122 N000-003-116 Корпус задняя правая часть 286 р.
123 N000-003-117 Уплотнение антивибрационное
125 N000-003-119 Корпус правая часть
126 N000-003-120 Хомут
127 N000-003-121 Палец хомута
128 N000-003-122 Винт натяжения хомута
129 N000-003-123 Глубиномер
130 N000-003-124 Корпус ручки
131 N000-003-125 Фиксатор глубиномера
132 N000-003-126 Пружина фиксатора
133 N000-003-127 Рукоять 876 р.
Найдено товаров: 128
1
▲ Наверх
0
8 (925) 663-83-63

Call-центр

пн-вс: 10:00-19:00

НАЙТИ ПО МОДЕЛИ
Введите номер заказа
Введите номер своего заказа, что бы узнать его текущий статус.
Что бы получить доступ к расширенным функциям, пройдите не сложную регистрацию. Зарегистрироваться